AMPATH ​Laboratories

AMPATH Laboratory in Durban needed to replace their existing air-cooled chiller.
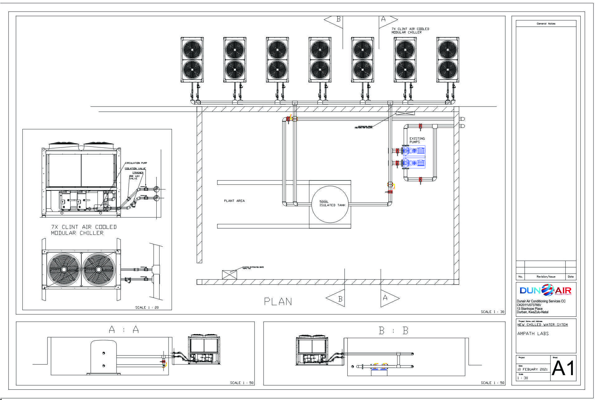
DunAir was commissioned to come up with a design to replace the chiller within the confines of a working building.
A major factor of the design was the fact that the plant area was on the roof and there was no crane access to lift a new chiller or remove the old. DunAir's solution was to use 7 Air Cooled chillers, linked to buffer tank which feeds the building with chilled water. DunAir successfully rigged the smaller chillers onto the roof and piped them up so there was no interruption to the buildings cooling.